自從Aleph-P完成後,就一直尋找合適的音量控制(4 channels),一般的級進音量控制要價甚昂,實在難以負荷,接著鎖定DipChip Electronics的遙控音量(8bit--256段)與輸入選擇的套件,考慮在三,這筆錢仍然花不下去;後來在Diy-Audio上看到有人仿Aleph-P 1.0版的方式以一顆 ADC0804做6階--64段的音量控制,雖然沒有遙控,但想想也沒太大關係,於是抱著姑且一試的心態,試做如下:
- 部分修改線路圖(pdf檔)relay部分我只畫出單聲道,另一聲道我是以並聯方式搭接的
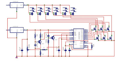
- 控制部分,我做如下的更改:
- relay切換部分,每聲道6顆relay(OMRON G6S-2),做出64種組合的切換

- 不知成敗如何,因此先以洞洞版搭接,電阻也只是國產精密電阻的組合

- 搭棚焊接

- 控制與relay用一條8pin的線連接

- 完成圖

完成此音量控制器後,才第一次以平衡輸出的方式接到Aleph-2後級。
初步裝機試聽,控制的情況相當理想,當轉動100K的可變電阻時,可以聽到滴滴答答的relay切換聲(我真的給它算過有64段),但卻不會由喇叭傳出;先用一陣子看看,沒問題的話打算將電阻換成Holoc 0.1%的精密電阻,然後從此可以過著幸福快樂的日子.....



沒有留言:
張貼留言